Обратная засыпка траншеи

Обратная засыпка пазух котлована. Обратная засыпка траншеи. Обратная засыпка траншеи. Обратная засыпка траншеи. Схема обратной засыпки фундамента столбчатого.
Обратная засыпка пазух котлована. Обратная засыпка траншеи. Обратная засыпка траншеи. Обратная засыпка траншеи. Схема обратной засыпки фундамента столбчатого.
Обратная засыпка траншеи. Схема засыпки пазух котлована. Траншея для газопровода. Обратная засыпка траншеи. Схема обратной засыпки трубопровода.
Обратная засыпка траншеи. Схема засыпки пазух котлована. Траншея для газопровода. Обратная засыпка траншеи. Схема обратной засыпки трубопровода.
Трамбовка супеси. Обратная засыпка котлована чертеж. Обратная засыпка пазух траншеи. Обратная засыпка траншеи. Обратная засыпка траншеи.
Трамбовка супеси. Обратная засыпка котлована чертеж. Обратная засыпка пазух траншеи. Обратная засыпка траншеи. Обратная засыпка траншеи.
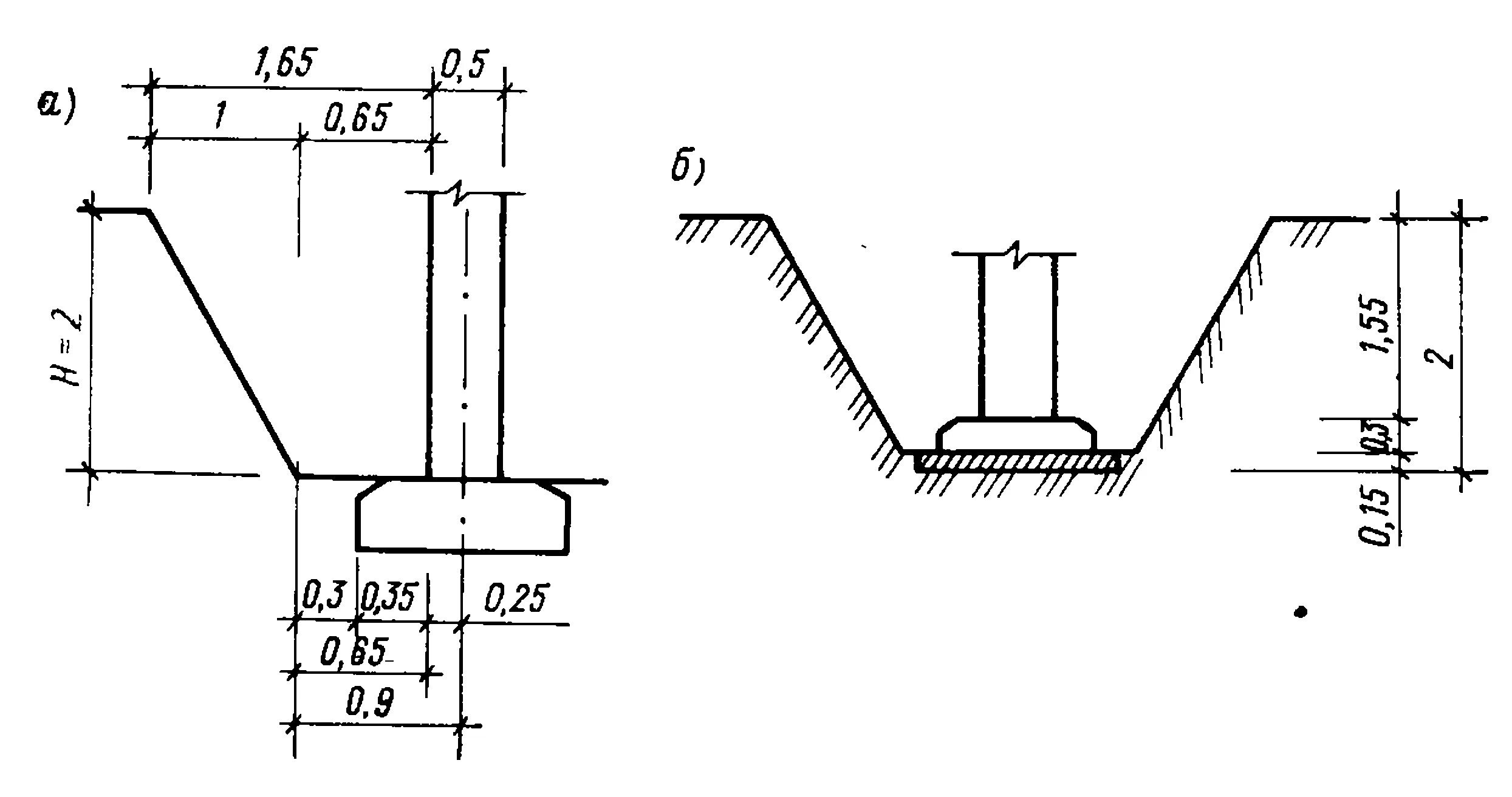
Исполнительная схема на обратную засыпку пазух котлована. Обратная засыпка траншеи. Обратная засыпка masterseal 620. Обратная засыпка пазух котлована. Схема послойного уплотнения засыпки трубы.
Исполнительная схема на обратную засыпку пазух котлована. Обратная засыпка траншеи. Обратная засыпка masterseal 620. Обратная засыпка пазух котлована. Схема послойного уплотнения засыпки трубы.
Схема на обратную засыпку пазух фундаментов. Обратная засыпка пазух траншеи. Обратная засыпка траншеи трубопровода. Схема засыпки траншеи трубопровода. Схема уплотнения грунта в пазухах котлована.
Схема на обратную засыпку пазух фундаментов. Обратная засыпка пазух траншеи. Обратная засыпка траншеи трубопровода. Схема засыпки траншеи трубопровода. Схема уплотнения грунта в пазухах котлована.
Исполнительная схема засыпки котлована. Исполнительная схема обратной засыпки фундаментов. Схема траншеи для прокладки канализационных труб. Обратная засыпка траншеи. Обратная засыпка траншеи трубопровода схема.
Исполнительная схема засыпки котлована. Исполнительная схема обратной засыпки фундаментов. Схема траншеи для прокладки канализационных труб. Обратная засыпка траншеи. Обратная засыпка траншеи трубопровода схема.
Обратная засыпка фундамента уплотнение. Обратная засыпка траншеи. Зворотна засипка котловану. Обратная засыпка с послойным уплотнением. Обратная засыпка пазух фундамента.
Обратная засыпка фундамента уплотнение. Обратная засыпка траншеи. Зворотна засипка котловану. Обратная засыпка с послойным уплотнением. Обратная засыпка пазух фундамента.
Объем обратной засыпки пазух котлована. Обратная засыпка траншеи. Засыпка пазух котлована. Обратная засыпка пазух котлована схема. Засыпка пазух траншеи.
Объем обратной засыпки пазух котлована. Обратная засыпка траншеи. Засыпка пазух котлована. Обратная засыпка пазух котлована схема. Засыпка пазух траншеи.
Обратная засыпка пазух котлована схема. Схема засыпки траншеи трубопровода. Обратная засыпка траншеи. Засыпка траншей труб дренирующим песком. Исполнительная схема засыпки грунта.
Обратная засыпка пазух котлована схема. Схема засыпки траншеи трубопровода. Обратная засыпка траншеи. Засыпка траншей труб дренирующим песком. Исполнительная схема засыпки грунта.
Обратная засыпка фундамента схема. Обратная засыпка траншеи. Обратная засыпка траншеи. Обратная засыпка пазух котлована. Дренажная призма, наклонный дренаж рис 88.
Обратная засыпка фундамента схема. Обратная засыпка траншеи. Обратная засыпка траншеи. Обратная засыпка пазух котлована. Дренажная призма, наклонный дренаж рис 88.
Обратная засыпка экскаватором jcb. Обратная засыпка фундамента схема. Обратная засыпка траншеи. Обратная засыпка траншеи. Обратная засыпка пазух траншеи.
Обратная засыпка экскаватором jcb. Обратная засыпка фундамента схема. Обратная засыпка траншеи. Обратная засыпка траншеи. Обратная засыпка пазух траншеи.
Обратная засыпка котлована. Трамбовки для уплотнения грунта в траншеях под трубопроводы. Схема обратной засыпки котлована. Обратная засыпка котлована. Засыпка пазух котлована песком технология.
Обратная засыпка котлована. Трамбовки для уплотнения грунта в траншеях под трубопроводы. Схема обратной засыпки котлована. Обратная засыпка котлована. Засыпка пазух котлована песком технология.
Обратная засыпка котлована фундамента. Схема засыпки пазух котлована. Исполнительная схема на обратную засыпку пазух котлована. Обратная засыпка труб дкс чертеж. Обратная засыпка трубопровода канализации песком на 30 см.
Обратная засыпка котлована фундамента. Схема засыпки пазух котлована. Исполнительная схема на обратную засыпку пазух котлована. Обратная засыпка труб дкс чертеж. Обратная засыпка трубопровода канализации песком на 30 см.
Исполнительная схема обратной засыпки котлована. Уплотнение пазух котлована. Обратная засыпка пазух котлована схема. Обратная засыпка траншеи. Обратная засыпка грунта трубопровода схема.
Исполнительная схема обратной засыпки котлована. Уплотнение пазух котлована. Обратная засыпка пазух котлована схема. Обратная засыпка траншеи. Обратная засыпка грунта трубопровода схема.
Исполнительная схема обратной засыпки траншеи. Схема уплотнения грунта котлована. Обратная засыпка пазух котлована. Обратная засыпка пазух котлована схема. Обратная засыпка траншей.
Исполнительная схема обратной засыпки траншеи. Схема уплотнения грунта котлована. Обратная засыпка пазух котлована. Обратная засыпка пазух котлована схема. Обратная засыпка траншей.
Обратная засыпка траншеи. Ппр обратная засыпка грунта для фундамента. Обратная засыпка фундамента песком с уплотнением. Обратная засыпка траншеи трубопровода чертеж. Обратная засыпка траншеи кабельной канализации.
Обратная засыпка траншеи. Ппр обратная засыпка грунта для фундамента. Обратная засыпка фундамента песком с уплотнением. Обратная засыпка траншеи трубопровода чертеж. Обратная засыпка траншеи кабельной канализации.
Обратная засыпка котлована песком. Обратная засыпка траншеи. Технология обратной засыпки котлована. Уплотнение засыпки водопропускной трубы. Уплотнение пазух котлована.
Обратная засыпка котлована песком. Обратная засыпка траншеи. Технология обратной засыпки котлована. Уплотнение засыпки водопропускной трубы. Уплотнение пазух котлована.
Исполнительная схема обратной засыпки фундаментов. Засыпка пазух траншеи. Засыпка котлована песком. Схема обратной засыпки траншеи. Зворотна засипка котловану.
Исполнительная схема обратной засыпки фундаментов. Засыпка пазух траншеи. Засыпка котлована песком. Схема обратной засыпки траншеи. Зворотна засипка котловану.
Обратная засыпка траншеи. Исполнительная схема засыпка траншеи. Объем обратной засыпки пазух котлована. Исполнительная схема обратной засыпки фундаментов. Схема уплотнения грунта в пазухах котлована.
Обратная засыпка траншеи. Исполнительная схема засыпка траншеи. Объем обратной засыпки пазух котлована. Исполнительная схема обратной засыпки фундаментов. Схема уплотнения грунта в пазухах котлована.
Засыпка пазух траншеи. Обратная засыпка траншеи. Исполнительная схема засыпки котлована. Обратная засыпка траншеи. Обратная засыпка пазух котлована.
Засыпка пазух траншеи. Обратная засыпка траншеи. Исполнительная схема засыпки котлована. Обратная засыпка траншеи. Обратная засыпка пазух котлована.